Introduction
The Hobbyduino Mini is a clone of the Arduino main-board. It contains a ATMega328 processor programmed with the Arduino bootloader.
The Hobbyduino does not contain the circuitry for USB communication. I opted to rely on the FTDI232R serial boards to handle the USB-to-Serial protocol. Here is the one I use but, others are available.
The Hobbyduino Mini contains an on-board voltage regulator that accepts 7 – 18V and outputs 5V @ 1A. Optionally, power can be provided by the USB port when the FTDI adapter is plugged into the board. Be advised, you can damage the USB port if more than 500mA is drawn from it.
Specifications
- ATMega328 processor running at 5V
- 16 MHz resonator
- Input voltage 7-18V
- Output voltage 5V @ 1A
- USB or external power (requires FTDI adapter for USB power)
- Size: 1.1875W” x 3.5L”
- Digital (0 – 13), analog (0 – 5), serial, and I2C pins brought out to pin headers
- Designed to plug into a breadboard for easy prototyping
- Configured for auto-reset after programming
- Manual reset button
- 6-pin ISP connector
Documentation
- Schematic – PDF
- PCB – PDF
- Schematic – SCH
- PCB – PCB
- Mechanical Drawing – DXF
- Bill of Materials – TXT
The schematic and PCB was developed with the freely available ExpressPCB software.
Build It
Reference the B.O.M above for a list of the parts necessary to complete the Hobbyduino Mini.
Most of the components are surface mount devices (SMD) except for the connectors and pin headers. As such, soldering may take a little more time and a little more experience. I recommend starting with the low profile components first such as the 0805 resistors and capacitors. I also recommend that consideration be given to the components that may be a little more difficult to solder because of location, such as the voltage regulator that is surrounded by the two 10uF capacitors. The last device that should be installed on the board is the ATMega328 microcontroller. The ATMega is susceptable to what is known as electrostatic discharge (ESD) which could damage the component without any visual signs.
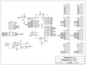
Reference the below schematic and layout file for component locations.
Use It
I recommend you look over your solder connections before you apply power to the board. This will give you an opportunity to detect and correct any bad solder joints or solder bridges that could possibly let the smoke out. Once that is complete there are a few tidbits we need to take care of before we can make stuff. We’ll need to get some software (free of course) and configure some settings.
1. Go here and download the latest version of the Arduino Ide.
2. Plug the FTDI Serial-to-USB adapter into an available USB port on your computer. The drivers will automatically be downloaded and installed.
3. Go to Device Manager on your computer and expand the Ports (COM & LPT) field. Right-click on the USB serial port and select -> properties -> port-settings tab -> advanced. Set the baud-rate to the appropriate setting for your controller.
4. Extract the compressed file to a location on your computer and launch the “arduino.exe” file.
5. In the Arduino Ide, select Tools -> Board -> Arduino Duemilanove or Nano w/ ATmega328.
6. Ensure the correct serial port is selected in the Arduino Ide.
You are now ready to upload and test your first sketch on the Hobbyduino Mini.
/* Blink Turns on an LED on for one second, then off for one second, repeatedly. This example code is in the public domain. */ void setup() { // initialize the digital pin as an output. // Pin 13 has an LED connected on most Arduino boards: pinMode(13, OUTPUT); } void loop() { digitalWrite(13, HIGH); // set the LED on delay(1000); // wait for a second digitalWrite(13, LOW); // set the LED off delay(1000); // wait for a second }
1. Launch the Arduino Ide, click on File -> Examples -> 1.Basics -> Blink. A new Ide window will open with the selected sketch loaded.
2. Connect a LED and resistor to digital pin 13 like below.
3. Click the upload button and the sketch will be uploaded to the board. You’ll need to do a little troubleshooting if the sketch fails to upload. I recommend checking for the correct serial port and board within the Arduino Ide.
4. If all is successful, the LED attached to digital pin 13 will begin to pulse on for 1 sec and off for 1 sec.
This completes the basic functionality test for the Hobbyduino Mini. Checkout the video to see it in action.
Related Links
Disclaimer
This example shows hardware and software used to implement the design. It is recommended the viewer use sound judgment in determining and/or implementing this example for any particular application. This example may include information from 3rd parties and/or information which may require further licensing or otherwise. Additional hardware or software may be required. Hobbybotics or any affiliates does not support or warrant this information for any purpose other than a design example and takes no responsibility for any mishaps (none being implied).








